前言

本文以 Analog Devices LT3045 为例,说明在 LTspice 中如何构建 LDO 电源电路。


LDO 简介

LDO 全称是 Low Dropout Regulator,中文为 低压差线性稳压器 。

它内部由电压基准、误差放大器、反馈电路、以及串联的晶体管(双极型 / CMOS 管)等组成:

图1 LDO 工作原理

图1 LDO 工作原理,来源 [1]

LDO 将 “晶体管” 作为动态可调元件,通过反馈电路实时调控其电阻以平衡电压分配,实现负载端电压的稳定输出。

晶体管必然存在压降,而维持其稳压功能所需的这一最小压降,即为 Dropout Voltage:

图2 Dropout Voltage

图2 Dropout Voltage,来源 [1]

此外,这个晶体管也会因输入与输出之间的电压差(压差)耗散功率,这功率损耗最终以热量形式释放,导致器件升温。


Analog Devices LT3045

今天我们仿真的是 LT3045,它是一款 Analog Devices 推出的高性能 LDO ,其输入电压 1.8V-20V,输出电流 500mA,具备 0.8μV_RMS 低噪声、1MHz 下 76dB PSRR 特性,压差仅 260mV。适用于 RF 电源、精密仪器、数据转换器等噪声敏感场景:

图3 LT3045

图3 LT3045,来源 [2]

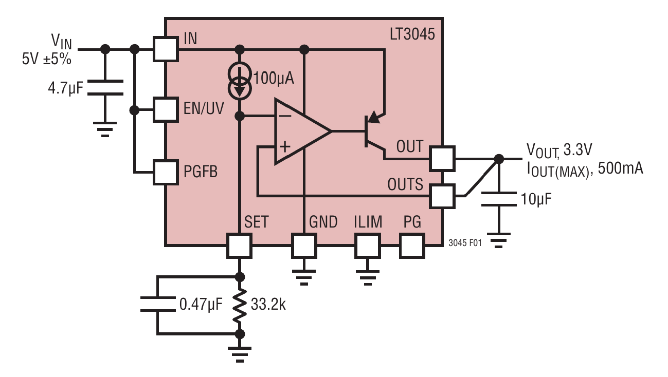
LT3045 的工作原理是:内置 100μA 恒流源,从 SET 引脚外接电阻 Rset 到地,恒流源流经 Rset 产生的电压作为误差放大器的基准电压;误差放大器以单位增益配置,通过调整晶体管导通程度,实现稳压输出:

图4 典型电路

图4 典型电路,来源 [2]

例如外接 33.2KΩ 时,100μA × 33.2KΩ = 3.3V,对应输出 3.3V 。

其他输出电压可依据表格选择对应 Rset 阻值配置:

图5 Vout 和 Rset 配置

图5 Vout 和 Rset 配置,来源 [2]

我们接下来仿真一下图 4 中的电路。


今日案例 —— 仿真 LDO 电源(LT3045)

1. 搭建电路

下载安装 LTspice XVII 版本。

从元件库选择 LT3045,并添加各种外围器件后,电路图如下:

图6 搭建电路

图6 搭建电路

可以看到与图 4 中基本是一致的,但我们增加了负载 Rload = 6.6 Ω,对于这个负载后续会做调整。

2. 电压电流仿真(Rload = 6.6 Ω)

我们通过瞬态仿真可以查看电路输入与输出的电压、电流,添加仿真命令如下:

.tran 1 startup

查看结果如下:

图7 电压电流仿真(Rload = 6.6 Ω)

图7 电压电流仿真(Rload = 6.6 Ω)

可以看到:Vin = 5V,Vout = 3.3V(稳定后),Iload = 500mA(稳定后)。

3. 电压电流仿真(Rload = 9.9 Ω 或 2.2 Ω)

如果我们将负载 Rload 改为 9.9Ω 或者 2.2Ω 会怎么样?

仿真结果分别如下:

图8 电压电流仿真(Rload = 9.9 Ω)

图8 电压电流仿真(Rload = 9.9 Ω)

图9 电压电流仿真(Rload = 2.2 Ω)

图9 电压电流仿真(Rload = 2.2 Ω)

可以看到:

  • 当 Rload = 9.9Ω 时,Vout = 3.3 V,Iload = 333mA
  • 当 Rload = 2.2 Ω 时,Vout = 1.3 V,Iload = 600mA

说明负载较重时,Vout 不再维持预设的 3.3V 。

不过,看 datasheet 说 LT3045 的电流输出能力是 500mA,为何仿真结果会得到 600mA ?

4. 功率仿真(Rload = 6.6 Ω)

我们再来看看功率。

在 LTspice 中,功率可以用数学公式计算,比如在 Plot 波形窗口中添加 Vout * Iload 就代表输出功率,Vin * Iv1 就代表输入功率。这样得到仿真结果如下:

图10 功率仿真

图10 功率仿真

从图上来看,输出功率大约 1.6W,而输入功率大约 2.6W 。

5. 结果分析(LDO 耗散功率)

既然 输出功率 1.6W,输入功率 2.6W ,也就是 LDO 上消耗的功率是 1W 。

那么 1W 会让 LDO 提升多少温度?

这就要查询 datasheet :

图11 LT3045 热阻

图11 LT3045 热阻

如果是 DFN 封装的第一种情况,1W 会让 LDO 升温 34 ℃ 。

datasheet 中还表明了 LDO 的 Junction Temperature(结温):

图12 LT3045 结温

图12 LT3045 结温

如果是 E-Grade,最高只能到 125 ℃,所以在上述电路配置下,要确保环境温度不能超过 125 - 34 = 91 ℃ 。

你也可以试试看 Rload = 9.9Ω 或 2.2Ω 时, LDO 的耗散功率,在此就不赘述了。


总结

本文以 Analog Devices LT3045 为例,说明在 LTspice 中如何构建 LDO 电源电路。


案例代码

本文 LTspice 案例上传至 Gitee,可下载运行:

参考资料

  1. https://wiki.analog.com/university/courses/alm1k/alm-ldo-lab#activitylinear_low_dropout_voltage_regulators_-_adalm1000
  2. https://www.analog.com/en/products/lt3045-1.html

欢迎关注我的微信公众号“疯狂的运放”,及时收到最新的推文。