前言

运放可构成 “反相电压放大器”(Inverting Voltage Amplifier),今天我们就来解析一下。

内容及素材均来自于书籍《 Operational Amplifiers & Linear Integrated Circuits: Theory and Application 》,该书官网还提供开源版本,详见参考链接 [1]、[2] 。

我只做了一些要点的梳理,详情请看原文。


Parallel-Parallel 负反馈模型

一切还是从负反馈模型说起,前文已经介绍了Series-Parallel (SP)用于电压放大, Parallel-Series(PS)用于电流放大,而 “反相电压放大器” 的模型是 Parallel-Parallel (PP):

图1 运放负反馈模型

图1 运放负反馈模型

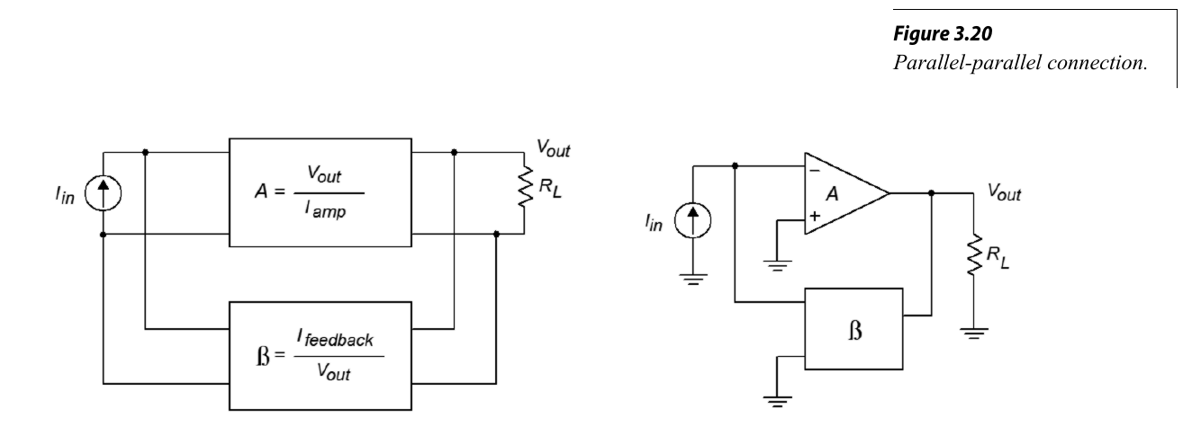
从上图可以看到 PP 是用于电流-电压的放大,所以是一种跨阻(Trans-resistance)。

PP 的框图如下,输入电流分为运放输入电流(Iamp)与反馈电流(Ifeedback),运放增益 A= Vout / Iamp,反馈系数β = Ifeedback / Vout。

图2 PP 负反馈框图

图2 PP 负反馈框图

PP 的基础电路如下,运放反相端接输入电流源,反馈支路串电阻Rf(连输出与反相端),同相端接地;输入电流流经 Rf 转化为电压,输出 Vout = −Iin⋅Rf :

图3 PP 负反馈电路

图3 PP 负反馈电路

目前为止只展示 PP 负反馈模型 对于 电流 -> 电压 的变换,我们的 “反相电压放大器”(Inverting Voltage Amplifier)在哪?


反相电压放大器

反相电压放大器源于 PP 负反馈模型,其 PP 形式仅支持 电流 -> 电压 的变换,通过添加输入电阻 Ri,可改造为 电压 -> 电压 的放大:

图4 反相电压放大器

图4 反相电压放大器

反相电压放大器的电路分析如下:

图5 电路分析

图5 电路分析

电压增益由输入电阻 Ri 与反馈电阻 Rf 的比值决定,公式为 Av = − Rf / Ri ,负号对应 “反相” 特性(输出与输入信号极性相反)。

反相电压放大器有两个特点:

  • 输入电阻可控:Ri 直接决定输入阻抗,输入阻抗不如“同相电压放大器”那么大。
  • 虚地:反相端因误差电压近零,与接地的同相端等电位形成虚地;

那么,这两个特点能起到什么作用?


“输入电阻可控”的作用?

文中举了一个“麦克风前置放大器”的例子,为了适配麦克风的特性,前置放大器的输入阻抗设计为 1kΩ–15kΩ,核心目的是与麦克风的低输出阻抗(50–200Ω)形成桥接连接,而非传统的阻抗匹配(输入阻抗越大越好),整体上这样带来更多优势:

图6 麦克风前置放大器(关注输入阻抗)

图6 麦克风前置放大器(关注输入阻抗)

反相电压放大器具有 “Ri 直接决定输入阻抗” 的特点,也就是输入电阻可控,图中将其设置为 15kΩ ,可精准匹配信号源阻抗,满足设计要求。


“虚地”的作用?

文中举了反相电压放大器作为“加法器”的例子,反相端的“虚地”成为理想的电流求和节点,各输入通道的电流仅由自身信号与对应输入电阻决定,各通道间几乎无相互影响,保障了各输入通道的负载隔离性:

图7 加法器(关注虚地)

图7 加法器(关注虚地)

“同相电压放大器”也能作为“加法器”,但由于没有“虚地”特性,各输入信号共享同相端的节点电压,无法隔离负载、易干扰,设计上更为复杂。


引出“差分放大器”

然后文中从反相电压放大器引出了“差分放大器”,只要将同相端“接地”改为输入信号即可(下图左):

图8 差分放大器

图8 差分放大器

电路分析采用 Superposition(叠加定理),左图中:反相端增益为 Rf / Ri,同相端增益为 1 + Rf / Ri,存在增益不匹配;此外,两个输入端阻抗也不一致。

为此,通过添加补偿电路,如右图中的电阻分压,可以使同相端增益匹配至 Rf / Ri 的增益比例(即先缩小再放大);同时,设置 Ri′ + Rf′ = Ri 平衡两端输入阻抗,最终输出为差分信号乘以 Rf / Ri 的电压增益。


总结

反相电压放大器(Inverting Voltage Amplifier),具有 “输入阻抗可控” 与 “虚地” 的特点,因此带来了独特优势,文中举例了麦克风前置放大器、加法器等例子,并最终引出了“差分放大器”。


参考资料

  1. https://www.amazon.com/dp/1796856894

  2. https://open.umn.edu/opentextbooks/textbooks/operational-amplifiers-linear-integrated-circuits-theory-and-application-3e


相关前文


欢迎关注我的微信公众号“疯狂的运放”,及时收到最新的推文。