前言

今天介绍一下有源模拟滤波器(Active Filters)。

文中素材来自于书籍《Operational Amplifiers & Linear Integrated Circuits: Theory and Application》第 11 章内容,该书还提供开源版本,详见参考链接 [1]、[2]、[3] 。

我只做了一些要点的梳理,详情请看原文。


滤波器基础概念

(1)阶数、极点与衰减

滤波器按频率选择性,可分为低通、高通、带通、带阻(陷波 Notch)等类别。从频谱上看增益响应,可分为通带、阻带,以及二者之间的过渡带。

滤波器的阶数(Order)决定过渡带的陡峭程度。通用滤波器的阶数与电路极点(Pole)数量相等。每阶或每个极点对应 6dB 每倍频(6 dB per octave per pole)的过渡带衰减。其中,6dB 每倍频又等价于 20dB 每十倍频。

因此,阶数越高,过渡带的总衰减速率越快。比如 3 阶滤波器包含 3 个极点,过渡带衰减达每倍频程 18dB(或每十倍频程 60dB),为 1 阶滤波器的 3 倍。

当然,阶数越高,所需的电抗元件(电容、电感)越多,电路的复杂度也会提升。

(2)类型、纹波、阻尼系数与品质因数

滤波器有一些经典类型或称对准方式(Alignment),比如 Butterworth、Bessel、Chebyshev、Elliptic 等,且不同类型在频率响应上各具独特特点,图示如下:

图1 模拟滤波器的增益曲线形状

图1 模拟滤波器的增益曲线形状

上图所示均为 2 阶滤波器,仅绘制了增益曲线,能看到形状各不相同,有些还带有纹波(Ripple):

  • Butterworth:通带响应最平坦,无纹波,过渡带特性均衡;
  • Bessel:通带相位线性度最优,适合需保留信号相位的场景(图中未绘制相位);
  • Chebyshev:通带内有纹波(1dB 至 3dB),但过渡带更陡峭(衰减速率快);

不同类型滤波器的增益曲线形状特性,与阻尼系数 α (Damping Factor)和品质因数 Q 相关,阻尼系数与品质因数互为倒数,它们是模拟滤波器设计的核心参数。

比如,强阻尼系数(Heavy damping)会得到更平滑的曲线:

图2 阻尼系数的影响(Chebyshev滤波器)

图2 阻尼系数的影响(Chebyshev滤波器)

当然,更高阶的会得到更陡峭的过渡带:

图3 阶数的影响(Chebyshev滤波器)

图3 阶数的影响(Chebyshev滤波器)

总之,阶数(极点、零点)、阻尼系数(品质因数)及纹波,决定了模拟滤波器增益曲线的形状特性。


运放实现:低通与高通滤波器

从实现角度,Sallen and Key VCVS 滤波器是一种常用的滤波器方案,它基于运放的串并联负反馈(Series-parallel negative feedback),构成压控电压源(VCVS),是一个 2 阶(双极点)有源滤波器。

(1)2 阶低通滤波器

Sallen and Key 滤波器的框图如下,对于低通滤波,输入支路的 Z1、Z2 配置为电阻,反馈支路的 Z3、Z4 配置为电容:

图4 Sallen and Key 滤波器的框图

图4 Sallen and Key 滤波器的框图

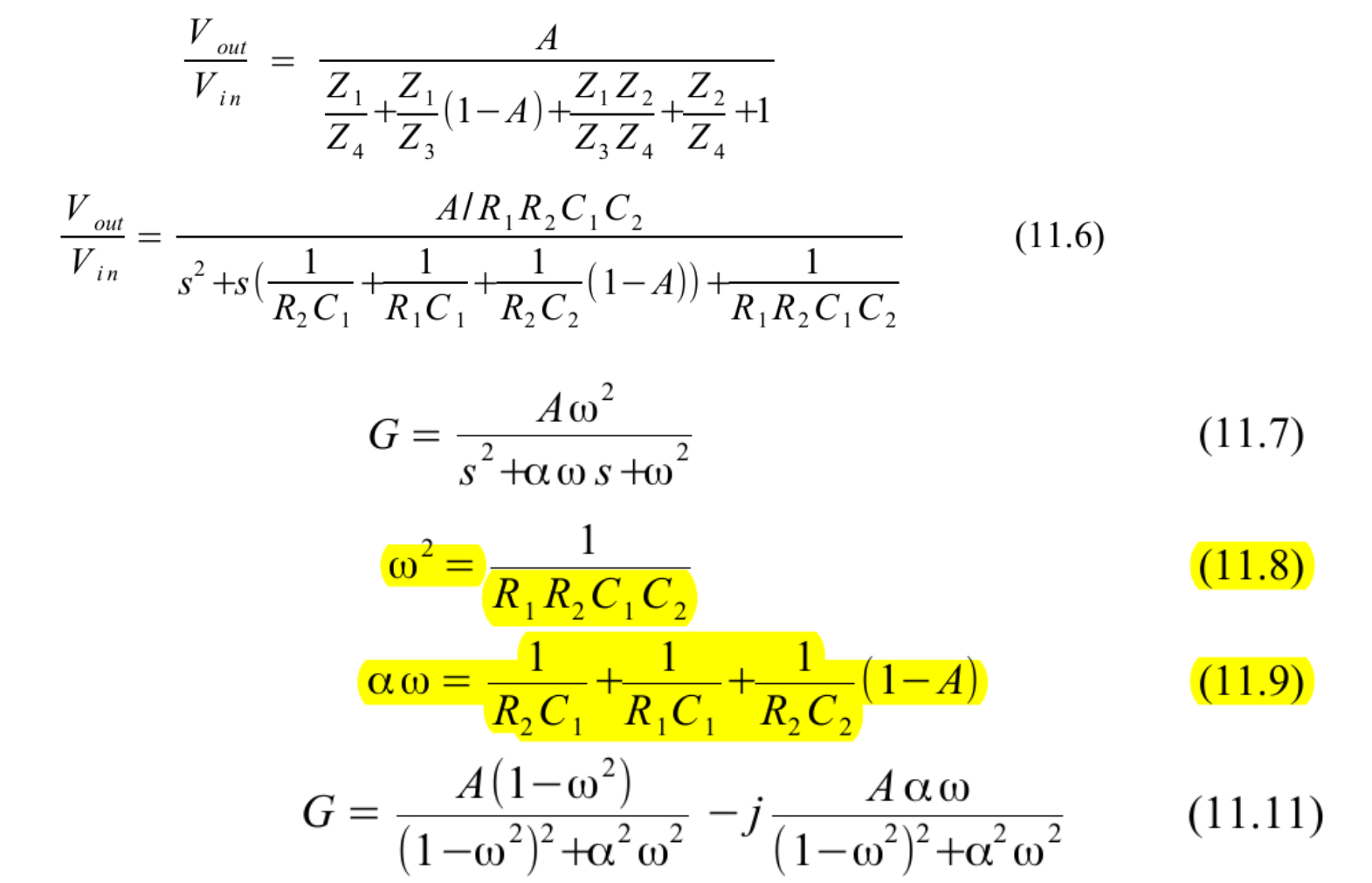
该电路分析摘录如下,推理出增益与相位的数学表达:

图5 Sallen and Key 滤波器的数学表达

图5 Sallen and Key 滤波器的数学表达

在归一化频率(角频率为 1 rad/s)的情况下,可以简化为如下两个模型 —— 分别为 等元件型与单位增益型:

图6 Sallen and Key 滤波器的模型

图6 Sallen and Key 滤波器的模型

其中,电阻阻值与阻尼系数 α 有关,Butterworth、Bessel、Chebyshev 等不同类型的滤波器对应不同的 α 取值,可以查表获得。在设计时将所需的截止频率代入归一化模型,通过比例缩放计算实际的电路元件参数。

(2)2 阶高通滤波器

在 Sallen and Key VCVS 构建的 2 阶高通滤波器中,电阻与电容的位置互换:

图7 Sallen and Key 滤波器(高通)

图7 Sallen and Key 滤波器(高通)

Butterworth、Bessel、Chebyshev 等不同类型的滤波器对应的阻尼系数 α 如下:

图8 滤波器系数表格

图8 滤波器系数表格

(3)更高阶的滤波器

高阶滤波器通常由多个 2 阶滤波单元与 1 阶滤波单元级联构成,设计时可通过查阅对应参数表,获取各阶的阻尼系数 α 和频率系数 k_f(即归一化角频率与实际 3dB 截止角频率的比例系数)。

例如下图 5 阶高通滤波器,就是由两个 2 阶滤波单元和一个 1 阶滤波单元级联而成:

图9 高阶滤波器

图9 高阶滤波器

其对应的阻尼系数与频率系数均可从下方的 5 阶滤波器参数表中直接查得:

图10 高阶滤波器系数表格

图10 高阶滤波器系数表格

注意:两个 2 阶滤波器的系数是不同的。


运放实现:带通与带阻滤波器

(1)带通滤波器的实现 —— State-Variable Filter

带通滤波器的特点是允许特定频段内的信号通过,形状由中心频率 fo、带宽 BW 和品质因数 Q 描述:

图11 带通滤波器

图11 带通滤波器

从实现角度,带通滤波器会根据 Q 值选择不同的方案:

  • 当 Q≤1 时,可直接由前文低通与高通滤波器级联实现;
  • 当 Q<10 时,多重反馈(Multiple-feedback)滤波器是常用方案;
  • 当 Q≥10 时,使用 状态变量滤波器(State-Variable Filter) 满足高 Q 需求。

State-Variable Filter 也被称为 “通用滤波器”,它可以同时输出低通、高通、带通信号:

图12 State-Variable Filter 的框图

图12 State-Variable Filter 的框图

State-Variable Filter 的核心架构由 3 个运放构成 —— 1 个求和放大器与 2 个积分器。工作原理可简述为:先通过积分器得到低通信号,将该低通信号与输入信号反相叠加生成高通信号,再由低通、高通信号叠加得到带通信号。

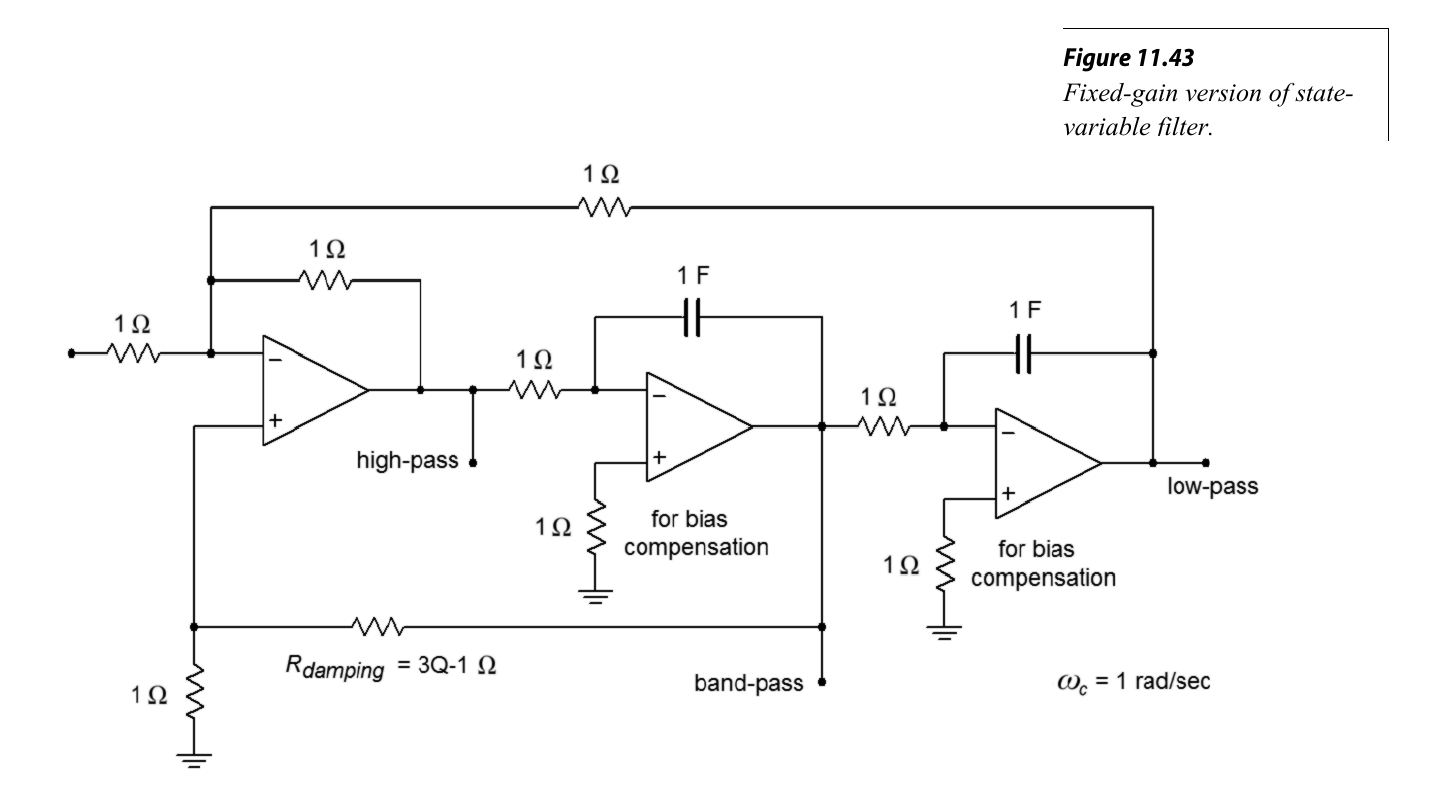
以下是一种带通滤波器的实现(已归一化角频率):

图13 State-Variable Filter 的模型

图13 State-Variable Filter 的模型

文中说到,通过调整反馈电阻的阻值,即可改变电路的阻尼系数,从而设定高 Q 值。

(2)带阻滤波器(Notch 陷波滤波器)

有了 State-Variable Filter 的多个输出后,带阻滤波器可通过对高通、低通信号进行叠加,再由求和放大器完成信号合成,实现带阻特性:

图14 带阻滤波器

图14 带阻滤波器


运放实现:开关电容滤波器

了解上述之后,文中引出了开关电容滤波器(Switched-Capacitor Filters),它改变了传统模拟滤波器的设计方法,是一种通用滤波器的解决方案。

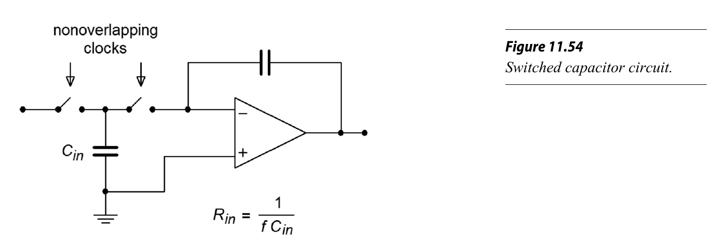
开关电容滤波器的工作原理是利用电容和一组由时钟控制的开关来模拟可变电阻,也就是将传统模拟滤波器中的电阻被替换为电容与开关,具体的电阻值由时钟频率和电容值决定,以此实现滤波器参数的“可调节”特性:

图15 用开关电容实现可变电阻

图15 用开关电容实现可变电阻

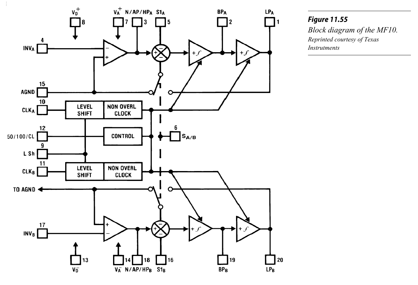
TI 的 MF10 为代表的通用型产品,内部可以配置为 State-Variable Filter,实现低通、高通、带通、带阻(陷波)等多种滤波输出,还能级联实现高阶滤波,图示如下:

图16 MF10 开关电容滤波器的内部框图

图16 MF10 开关电容滤波器的内部框图

图17 MF10 作为 4 阶 Chebyshev 低通滤波器

图17 MF10 作为 4 阶 Chebyshev 低通滤波器


总结

今日梳理了《Operational Amplifiers & Linear Integrated Circuits: Theory and Application》一书的第 11 章模拟滤波器相关内容,介绍了滤波形状类型、阶数、极点、纹波、阻尼系数、品质因数等基础概念,介绍了萨伦 - 基压控电压源(Sallen and Key VCVS)、状态变量滤波器(State-Variable Filter)、开关电容滤波器(Switched-Capacitor Filters)等电路实现的工作原理。


参考资料

  1. https://www.amazon.com/dp/1796856894

  2. https://open.umn.edu/opentextbooks/textbooks/operational-amplifiers-linear-integrated-circuits-theory-and-application-3e

  3. https://www2.mvcc.edu/users/faculty/jfiore/OpAmps/OperationalAmplifiersAndLinearICs_3E.pdf


欢迎关注我的微信公众号“疯狂的运放”,及时收到最新的推文。